您好!欢迎光临爱体育·体育(中国)官方网站网站!
※
返回首页
※
意见反馈
※
人才招聘
网站首页
AITIYU SPORTS
新闻中心
产品中心
产品优势
联系我们
齿轮箱一站式制造供应商
设计定制、生产加工、整机装配、设备安装
客户咨询服务热线:
13806176593
一分四分动箱技术参数
您的位置:
主页
>
新闻中心
>
公司新闻
> 一分四分动箱技术参数
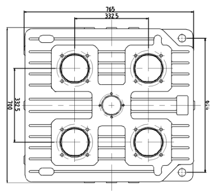
一分四分动箱技术参数
作者:越新机械 发布时间:2021-03-24 11:30:10 浏览次数 :
分动箱
生产厂家为您介绍一分四
分动箱
技术参数
,
所谓的
分动箱
,是一种将发动机的功率分配,分别输出到前轴和后轴的装置。由此看来,分箱其实是四轮驱动汽车的配件。随着四轮驱动技术的发展,拆箱也不断变化,逐渐形成了不同风格的拆箱,在不同的诉求上配合四轮驱动,其基本原理和功能也不同。
传动比
减速
0.673
0.740
0.813
0.891
0.977
增速
1.486
1.351
1.230
1.122
1.024
上一篇 : 一分三分动箱技术参数
下一篇:没有了
推荐产品
爱体育官方网站
|
华体网页版
|
开云链接官网
|
乐竞官网
|
乐鱼网页版登录入口
|
必一体育
|
华体会网页版页面登入界面
|
必一体育
|
必一体育·(中国)官方网站
|